产品推介丨灌浆套筒
时间:2020-08-05 来源:本站
现有的灌浆套筒,普遍存在加工难、加工后破坏套筒力学性能、抗拉强度合格率不高且抗拉测试工期长等问题,导致灌浆套筒的质量不佳且生产周期长。重庆奇甫机械有限责任公司(下称:重庆奇甫)研发的灌浆套筒产品为定制结构钢无缝管,经过专用机床,采用特殊加工工艺生产而成。两端均为空腔收口,受力反锁,冷压成型,产品形成保护层,剪力槽弧形等壁设计,浆料流动通畅,无气泡,通过高强度灌浆料与钢筋连接,可适用于构件竖向钢筋连接,也可应用于梁之间水平横筋的连接。
重庆奇甫灌浆套筒采用优质碳素结构钢加工制造,比铸造材料材质更稳定、性能更可靠,尤其是在延性方面。目前,已获得1项外观设计证书,3项发明专利,15项实用新型专利。



▲产品专利
钢筋连接用灌浆套筒
钢筋套筒灌浆连接作为新型装配式混凝土结构的主要钢筋连接方式,应用于装配式混凝土结构中预制构件钢筋连接、现浇混凝土结构中钢筋笼整体对接、既有建筑改造中新旧建筑钢筋连接以及桥梁预制拼装钢筋连接,其从受力机理、抗震体系、施工操作、质量检验等方面均不同于传统的钢筋连接方式,近年来在国内快速发展。
灌浆套筒原理
在金属筒体中插入单根带肋钢筋并注入灌浆料拌合物,通过拌合物硬化形成整体并实现传力的钢筋对接连接。
套筒的功能及主要要素
套筒是灌浆连接的关键连接件,是灌浆连接的有形载体。
分类
按加工方式可分为铸造成型和机械加工成型;
按机械加工成型细分为切削加工和压力加工(如滚压工艺);
按结构形式分为全灌浆套筒和半灌浆套筒。
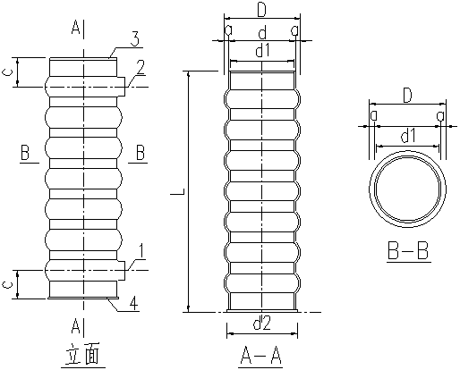
装配式桥梁灌浆套筒(可定制)
全灌浆套筒一端为预制安装端,另一端为现场拼装端,套筒中间应设置钢筋限位挡板,预制安装端及现场拼装端用于钢筋伸入锚固的长度均不应小于10ds(ds为被连接纵向钢筋直径),套筒下端应设置压浆口,套筒上端应设置出浆口,压浆口下缘与端部净距应大于30mm,不宜大于50mm,安装时套筒方向应正确放置。

全灌浆套筒
筒体两端均采用灌浆方式连接钢筋的灌浆套筒。

分体式全灌浆套筒
筒体由两个单元通过螺纹连接成整体的全灌浆套筒。
半灌浆套筒
筒体一端采用灌浆方式连接,另一端采用非灌浆方式连接钢筋的灌浆套筒。

整体式半灌浆套筒
筒体由一个单元组成的半灌浆套筒。
分体式半灌浆套筒
由互相独立的灌浆端筒体和螺纹连接单元组成的半灌浆套筒。
直接滚扎直螺纹半灌浆套筒
筒体非灌浆端钢筋采用直接滚扎直螺纹方式连接的半灌浆套筒。
剥肋滚扎直螺纹半灌浆套筒
筒体非灌浆端钢筋采用剥肋滚扎直螺纹方式连接的半灌浆套筒。
镦粗直螺纹半灌浆套筒
筒体非灌浆端钢筋采用镦粗直螺纹方式连接的半灌浆套筒。
灌浆孔
灌浆套筒灌浆用入料口,通常为光孔或螺纹孔。
排浆孔
灌浆套筒灌浆用排气兼出料口。
筒体拉力最大区段
钢筋灌浆套筒接头单向拉伸时,拉力全部由灌浆套筒承受的区段。
钢筋锚固用灌浆波纹管套筒
通过水泥基灌浆料的握裹传力,将钢筋锚固在混凝土结构中的预埋的波纹管套筒。

说明:
1-灌浆孔(或排浆孔);
2-排浆孔(或灌浆孔);
3-钢筋伸入端临时封盖;
4-封口板。
压扁套筒(不带横销)
奇甫压扁套筒(不带横销),是由品质优良的精密钢管制作而成。
材料:45#钢
表面处理:电镀锌/热镀锌
螺纹类型:M/Rd

压扁套筒(带横销)
奇甫压扁套筒(带横销)是由优质的精密钢管制作而成,在使用过程中减少了额外插入螺纹钢的工序,使用快捷方便。
材料:45#钢
表面处理:电镀锌/热镀锌
螺纹类型:M/Rd


螺纹钢套筒(不带横销)
钢筋内有螺纹,可确保对混凝土的附着强度。
用途:起吊,脱模等。

螺纹钢套筒(带横销)
采用螺纹钢钢筋经过内螺纹加工而成,在端部设置贯穿接合钢筋用的销孔,以防止脱落,同时可使载重均匀地分布在混凝土内。
埋入部分板壁薄时,以接合钢筋分散载重,防止产品受力过大。
插入横销或钢筋的长度要直径10倍以上(推荐20倍)。
用途:预制混凝板的脱落,重型混凝土产品的翻转、施工。

奇甫牌灌浆料
钢筋连接用套筒灌浆料
超高强无收缩钢筋连接用灌浆料是重庆奇甫研发的一种具早强、高强、高流态、微膨胀等多优点的无机复合材料,该材料以无机胶凝材料和高强骨料为主,并掺入不同种类的外加剂来满足产品各种性能的需要。产品无毒、无害,对水质及周围环境无污染,对钢筋无锈蚀,耐久性好。
技术特点
1、高流动性及保塑性能,施工性能优良。无论何种复杂之间隙均可充分填充,塑造性优越,施工简单方便。
2、早强且超高强,后期强度持续增长。超高强度锚接保证了钢筋连接的安全可靠性,早期强度高可显著缩短构件允许受载时间,缩短施工周期。
3、浆体微膨胀,长期使用无收缩,可防止浇筑后产生空鼓现象及有效承载面降低;浆体与钢筋、钢套筒粘结强度高,可有效传递各种应力;浆体采用实心式膨胀基材,可把物料较好地控制在无收缩状态并大大增加对钢筋的握裹力,确保钢筋与套筒之间强力结合。
奇甫牌灌浆机
盘式定量加水搅拌机
该机模块式结构,拆卸极为方便,适应于狭窄的施工环境作业,特殊优化设计的搅拌芯片,确保浆料混合快捷、均匀。先进的出料控制系统,具有密封性高,控制性强;配置水泵,供水计量系统,自动控制水量;结构紧凑,移动容易,使用简单。
可遥控自吸式挤压泵
该自吸式挤压泵是一种易损件少,操作简单,使用寿命较长的注浆泵,它唯一的易损件就是环绕的泵芯外的一条挤压管,这种挤压管是纯天然橡胶制作而成,耐磨,耐压,使用寿命长,该泵配有遥控功能,可提高劳动效率,大大减少用工成本,减少泵送时产生的材料浪费。




